从财政部官网获悉,日前,财政部集中下达多项2025年环境治理相关资金预算,包括水污染防治资金预算(第二批)107亿元,大气污染防治资金预算(第二批)136亿元,土壤污染防治资金(第二批)预算13.2亿元,重点生态保护修复治理资金预算254亿,废弃电器电子产品处理专项资金预算50亿。具体如下:
(3)水污染防治
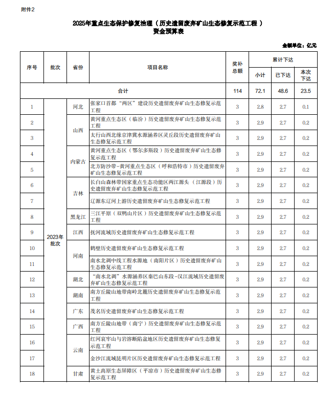
(4)重点生态保护修复治理资金预算
(5)废弃电器电子产品处理专项资金预算
来源:财政部
从财政部官网获悉,日前,财政部集中下达多项2025年环境治理相关资金预算,包括水污染防治资金预算(第二批)107亿元,大气污染防治资金预算(第二批)136亿元,土壤污染防治资金(第二批)预算13.2亿元,重点生态保护修复治理资金预算254亿,废弃电器电子产品处理专项资金预算50亿。具体如下:
(3)水污染防治
(4)重点生态保护修复治理资金预算
(5)废弃电器电子产品处理专项资金预算
来源:财政部
